消火栓與噴淋頭安裝看似簡單,你們做對了嗎?
消火栓與噴淋頭安裝看似簡單,你們做對了嗎?
本文是基于工程實例,并結合工程創優做法,總結了消火栓與噴淋頭安裝中的基本要求和注意事項,大家可以對照看一下,自己的工地做對了嗎?
1、消火栓(箱)安裝
? 消火栓(箱)安裝基本要求:
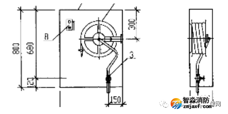
1)消火栓栓口離地高度1.1m,栓口朝外。
2)單個消火栓不應安裝在消防箱門軸側。
3)消防箱箱體安裝垂直度允許偏差3mm,安裝完畢封閉多余孔洞及孔洞縫隙。
4)消火栓箱門易打開,開啟角度不小于120°;采用石材等裝飾材料的消防箱門應開啟靈活(開啟拉力≯50N);箱門外標識明顯。
5)消火栓箱內水龍帶、水槍、軟管等安放到位。


? 消火栓(箱)安裝注意事項:
1)消火栓支管以栓閥的坐標、標高定位甩口,核定后穩固消火栓箱,待箱體找正固定后再安裝栓閥。消火栓箱安裝的垂直度允許偏差為3mm。
2)消火栓箱體若采用暗裝或半暗裝時,需在土建砌磚墻時,預留好消火栓箱洞,待消火栓箱就位找正找平后,用水泥砂漿填塞箱四周空間;明裝時采用膨脹螺栓固定。安裝在輕質隔墻上應有加固措施。
3)箱體配件安裝時,消防水龍帶應折好放在掛架上卷實、盤緊;消防水槍豎放在箱體內側,自救式水槍和軟管放在掛卡上或放在箱底部。消防水龍帶與水槍、快速接頭的連接,一般采用16#銅絲綁扎兩道,每道不少于兩圈;使用卡箍時,在里側加一道銅絲。

單栓消防箱安裝

雙栓消防箱安裝

單栓帶自救式消防卷盤箱安裝

自救式消防卷盤箱安裝
2、噴淋頭安裝
? 噴淋頭安裝基本要求:
1)噴頭應居中安裝(與裝飾吊頂排版配合),與燈、煙感等成行成線。
2)直立型、下垂型標準噴頭濺水盤與頂板的距離為75~150mm。
3)噴頭裝飾蓋、罩應緊貼吊頂。
4)噴頭臂(單、雙)應統一縱向或橫向安裝。
5)大空間成排噴頭安裝成行成線。
噴頭與燈、煙感、風口成一直線 噴頭未居中安裝

噴頭未居中安裝 噴頭安裝長度過長

噴頭安裝離墻/梁太近
? 噴淋頭安裝注意事項:
1)噴頭安裝前應與精裝天花吊頂布置圖對照,優化噴頭安裝點位,防止與煙感、燈具、喇叭等裝置沖突。
2)明確精裝吊頂面基準線和標高線,在龍骨調整定位后,測量噴頭短管的長度并安裝,防止短管過長或過短。
3)天花吊頂噴頭開孔由精裝施工單位負責。
當噴頭安裝在不到頂的隔斷附近時,噴頭與隔斷的水平距離和最小垂直距離應符合下表的規定:

當噴頭濺水盤高于附近梁底或寬度小于1.2m的風管、排管、橋架腹面時,噴頭濺水盤高于梁底、風管、排管、橋架腹面的最大垂直距離應符合下表的規定:

當梁、風管、排管、橋架寬度大于1.2m時,增設的噴頭應安裝在其腹面以下部位。

蘇州智淼消防主營:應急管理部發布最新消防檢測儀器設備全套配備、防雷檢測裝置,火災現場勘查箱、消防監督檢查驗收箱、消防測試煙槍、試水裝置、建筑消防設施檢測箱、電氣防火檢測設備等,消防檢測設備網址:http://m.029jj.cn/;電話:18910580194(何經理)
推薦文章
- 中庭在首層區域是否需要考慮人員的疏散?
- 為什么消防水泵房不能設置在地下三層及以下?
- 高壓細水霧+氣體滅火聯動程序,一文吃透
- 消防總隊回復:持結業證值班需承擔什么法律責任?
- 【消防安全管理25項記錄】從日常到應急全面覆蓋
- 知名企業“消防控制室無人值班”被罰4000元!
- 12月一批消防新規即將施行,涉及多個省市與行業領域
- 《文化旅游建筑消防設計技術要點》之暖通專業(含防排煙)
- 司法部《行政執法人員行為準則》全文:嚴禁越權執法、不作為、慢作為
- 氣體滅火系統管道管件材質要求






蘇公網安備32058102002157號